Лебедка ручная настенная Pfaff-Silberblau SW-W

Производитель:

Грузоподъемность 80 - 750 кг.

Лебедки с тяговым усилием 80 кг и 125 кг поставляются в комплектации с алюминиевым корпусом, а лебедки с большей грузоподъемностью поставляются в стальном корпусе и с пружинной рукояткой.

Все рукоятки съемные, внутри установлен предохранительный стопор, удерживающий груз в нужном положении

Таким образом, для слесарных мастерских, строительства из металлоконструкций, производства промышленного оборудования, сельского хозяйства и оптовой торговли всегда найдётся прочная и качественная лебедка, отвечающая индивидуальным требованиям.

Особенности:

  • Компактность и удобство эксплуатации. Благодаря простоте и надежности конструкции, малому весу и габаритам эта модель очень удобна в применении.
  • Пружинный тормоз. Практически бесшумный пружинный тормоз безопасно удерживает груз в любом положении.
  • Легкость монтажа. Легкий и быстрый монтаж лебедки на стене.
  • Долговечность. Двойной слой антикоррозионного покрытия предотвращает ржавчину на стальном корпусе.

  • Лебедка ручная настенная Pfaff-Silberblau SW-W - Лебедки
  • Лебедка ручная настенная Pfaff-Silberblau SW-W - Лебедки
  • Лебедка ручная настенная Pfaff-Silberblau SW-W - Лебедки
  • Лебедка ручная настенная Pfaff-Silberblau SW-W - Лебедки
  • Лебедка ручная настенная Pfaff-Silberblau SW-W - Лебедки

Производитель:

Грузоподъемность 80 - 750 кг.

Лебедки с тяговым усилием 80 кг и 125 кг поставляются в комплектации с алюминиевым корпусом, а лебедки с большей грузоподъемностью поставляются в стальном корпусе и с пружинной рукояткой.

Все рукоятки съемные, внутри установлен предохранительный стопор, удерживающий груз в нужном положении

Таким образом, для слесарных мастерских, строительства из металлоконструкций, производства промышленного оборудования, сельского хозяйства и оптовой торговли всегда найдётся прочная и качественная лебедка, отвечающая индивидуальным требованиям.

Особенности:

  • Компактность и удобство эксплуатации. Благодаря простоте и надежности конструкции, малому весу и габаритам эта модель очень удобна в применении.
  • Пружинный тормоз. Практически бесшумный пружинный тормоз безопасно удерживает груз в любом положении.
  • Легкость монтажа. Легкий и быстрый монтаж лебедки на стене.
  • Долговечность. Двойной слой антикоррозионного покрытия предотвращает ржавчину на стальном корпусе.

Модель SW-W 80 SW-W 125 SW-W 300 SW-W 500 SW-W 750
Артикул
040271017
040271008
030271001
030271136
030271019
Груз в положении 1, кг
80
125
300
500
750
Груз в положении 2, кг
45
65
220
350
550
Диаметр барабана, мм
51
40
108
108
108
Диаметр каната, мм
3
4
5
6
7
Канатоёмкость в положении 1, м
2.4
2
2.1
2.4
2
Общая трудоёмкость, м
30
12
15
15
10
Подъем за оборот, мм
170
138
68
35
35
Сила кривошипа, даН
12
13
15
13
20
Вес, кг
3
3
10
11
11
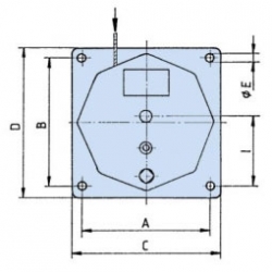
Размеры
A, мм
110
110
250
250
250
B, мм
110
110
250
250
250
C, мм
130
130
290
290
290
D, мм
130
130
290
290
290
Диаметр E, мм
9
9
14.5
14.5
14.5
F, мм
15
15
2
2
2
H, мм
121
121
85
85
85
I, мм
55
55
138
138
138
J, мм
-
-
117
117
117
K, мм
250
250
250
250
250
L, мм
130
130
130
130
130
M, мм
68
68
39
39
39
O, мм
60
60
50
50
50
P, мм
275
275
192
192
192



Другие товары в этой категории: