Зажим канатный Crosby G-429 Fist Grip®

Производитель:

Канатные зажимы Fist Grip соответствуют эксплуатационным требованиям Федеральной спецификации FF-C-450 тип III класс 1, кроме положений, касающихся подрядчиков.

  • Вся поверхность зажима гальванизирована для защиты от коррозии и ржавления.
  • На основе разрывной прочности каната, указанной в каталоге, канатные зажимы Crosby имеют эффективность в размере 80% для размеров от 1/8" до 7/8" и 90% для размеров от 1" до 3-1/2".
  • Болты являются составляющей частью опоры. Гайки могут быть установлены таким образом, чтобы у оператора была возможность полностью поворачивать ключ для быстрой инсталляции.
  • У всех размеров имеются проштампованные стальные опоры.
  • Все Зажимы упакованы в индивидуальную упаковку и снабжены соответственными инструкциями по применению и предупреждающей информацией.
  • Продукты Crosby соответствуют всем требованиям ASME B30.26 или даже имеют лучшие характеристики, включая показатели идентификации, растяжимости, коэффициента безопасности, допустимой нагрузки и температурных требований. Важно, что продукты Crosby соответствуют другим критическим экстплуатационным требованиям, включая усталостную долговечность, ударные свойства и прослеживаемость материала, не упомянутым в ASME B30.26.
  • Собраны со стандартными шестигранными гайками.

  • Зажим канатный Crosby G-429 Fist Grip® - Зажимы
  • Зажим канатный Crosby G-429 Fist Grip® - Зажимы
  • Зажим канатный Crosby G-429 Fist Grip® - Зажимы
  • Зажим канатный Crosby G-429 Fist Grip® - Зажимы

Производитель:

Канатные зажимы Fist Grip соответствуют эксплуатационным требованиям Федеральной спецификации FF-C-450 тип III класс 1, кроме положений, касающихся подрядчиков.

  • Вся поверхность зажима гальванизирована для защиты от коррозии и ржавления.
  • На основе разрывной прочности каната, указанной в каталоге, канатные зажимы Crosby имеют эффективность в размере 80% для размеров от 1/8" до 7/8" и 90% для размеров от 1" до 3-1/2".
  • Болты являются составляющей частью опоры. Гайки могут быть установлены таким образом, чтобы у оператора была возможность полностью поворачивать ключ для быстрой инсталляции.
  • У всех размеров имеются проштампованные стальные опоры.
  • Все Зажимы упакованы в индивидуальную упаковку и снабжены соответственными инструкциями по применению и предупреждающей информацией.
  • Продукты Crosby соответствуют всем требованиям ASME B30.26 или даже имеют лучшие характеристики, включая показатели идентификации, растяжимости, коэффициента безопасности, допустимой нагрузки и температурных требований. Важно, что продукты Crosby соответствуют другим критическим экстплуатационным требованиям, включая усталостную долговечность, ударные свойства и прослеживаемость материала, не упомянутым в ASME B30.26.
  • Собраны со стандартными шестигранными гайками.

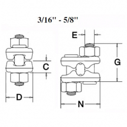
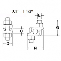
Размер каната
(мм)*
Артикул
Кол-во
в станд. упак.
Вес 100 шт.
(кг)
Размеры
(мм)
С
D
E
G
N
5-7
1010471
100
10.4
10.2
23.9
9.65
32.5
36.6
8
1010499
100
12,7
11.9
26.9
9,65
37,3
39,1
10
1010514
50
18,1
13.0
26.9
11,2
46.0
45.2
11-13
1010532
50
28,1
15.0
31,8
12,7
55,5
54.6
14-16
1010550
50
46,7
18.3
38.1
16,0
68,5
65.3
18-20
1010578
25
79
21.8
46.0
19,1
74,5
67.8
22
1010596
25
102
24.6
53,8
19.1
84,0
72.6
24-26
1010612
10
136
28.7
57.0
19.1
94.5
77.7
28-30
1010630
10
181
32.5
60.5
22.4
107
87.4
32-34
1010658
10
181
34.0
63.5
22,4
108
90.4
36-10
1010676
Без упак.
318
39.6
76.0
25,4
141
105

* Размеры до 16 мм имеют дизайн Новый стиль.



Другие товары в этой категории: