Грузоподъемность 350 - 6550 кг
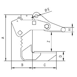
Подъемный механизм для горизонтального перемещения Tigrip TGF состоит из двух захватов на цепной 2х ветвевой стропе и наиболее подходит для перемещения пакета листов.
Для перемещения пакетов листов из нержавеющей стали, фанеры и тп. захваты могут быть снабжены протекторами. Благодаря растру обойма с эксцентриком захват легко фиксируется на корпусе под необходимую ширину зева. Возможна поставка исполнения с шириной зева до 400 мм.
Грузоподъемность 350 - 6550 кг
Подъемный механизм для горизонтального перемещения Tigrip TGF состоит из двух захватов на цепной 2х ветвевой стропе и наиболее подходит для перемещения пакета листов.
Для перемещения пакетов листов из нержавеющей стали, фанеры и тп. захваты могут быть снабжены протекторами. Благодаря растру обойма с эксцентриком захват легко фиксируется на корпусе под необходимую ширину зева. Возможна поставка исполнения с шириной зева до 400 мм.
| Модель |
Номер EAN
4025092* две ветви
|
Номер EAN
4025092* один захват
|
Г/п кг |
Зев мм |
Вес кг |
A
мм
|
B
мм
|
C
мм
|
D
мм
|
Ø E
мм
|
F
мм
|
G
мм
|
Ø H
мм
|
| TGF 0.3/150 | *553087 | *553216 | 350 | 0 - 150 | 21 | 298 | 122 | 160 | 41 | 20 | 80 | 20 | 25 |
|
TGF 0.6/150
|
*553094 | *553223 | 650 | 0 - 150 | 22 | 298 | 122 | 160 | 41 | 20 | 80 | 20 | 25 |
| TGF 1.3/150 | *552745 | *552554 | 1300 | 0 - 150 | 23 | 298 | 122 | 160 | 41 | 20 | 80 | 20 | 25 |
| TGF 2.3/150 | *551731 | *551809 | 2300 | 0 - 150 | 33 | 321 | 130 | 160 | 50 | 23 | 80 | 25 | 25 |
| TGF 3.3/150 | *551342 | *550833 | 3300 | 0 - 150 | 39 | 321 | 130 | 160 | 50 | 23 | 80 | 25 | 25 |
| TGF 5.0/150 | *553100 | *553322 | 5000 | 0 - 150 | 59 | 405 | 185 | 210 | 82 | 30 | 100 | 30 | 40 |
| TGF 6.6/150 | *553117 | *551885 | 6650 | 0 - 150 | 65 | 405 | 185 | 210 | 82 | 30 | 100 | 30 | 40 |
| TGF 0.3/250 | *552882 | *553339 | 350 | 0 - 250 | 21 | 448 | 122 | 140 | 41 | 20 | 80 | 20 | 25 |
| TGF 0.6/250 | *553124 | *552387 | 650 | 0 - 250 | 22 | 448 | 122 | 140 | 41 | 20 | 80 | 20 | 25 |
| TGF 1.3/250 | *552608 | *553346 | 1300 | 0 - 250 | 23 | 448 | 122 | 140 | 41 | 20 | 80 | 20 | 25 |
| TGF 2.3/250 | *552363 | *552622 | 2300 | 0 - 250 | 33 | 417 | 130 | 160 | 60 | 23 | 80 | 25 | 25 |
| TGF 3.3/250 | *553131 | *551540 | 3300 | 0 - 250 | 39 | 417 | 130 | 160 | 60 | 23 | 80 | 25 | 25 |
| TGF 5.0/250 | *552189 | *553353 | 5000 | 0 - 250 | 59 | 495 | 185 | 210 | 82 | 30 | 100 | 30 | 40 |
| TGF 6.6/250 | *553148 | *551656 | 6650 | 0 - 250 | 87 | 495 | 185 | 210 | 82 | 30 | 100 | 30 | 40 |
* Грузоподъёмность приведена для двух захватов при угле между ветвями не более 90 градусов.