Грузоподъемность от 250 до 10000 кг.
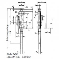
Настенные реечные домкраты серии ZWW представляют собой домкраты со шпорной или червячной передачей и активно используются внутри контейнеров, мастерских или фабрик. Настенные реечные домкраты данной серии выпускаются различной грузоподъемности в зависимости от конкретной модели от 250 кг до 10,0 тонн.
Грузоподъемность от 250 до 10000 кг.
Настенные реечные домкраты серии ZWW представляют собой домкраты со шпорной или червячной передачей и активно используются внутри контейнеров, мастерских или фабрик. Настенные реечные домкраты данной серии выпускаются различной грузоподъемности в зависимости от конкретной модели от 250 кг до 10,0 тонн.
|
Артикул
|
030052000
|
030053007
|
030054003
|
030055131 | 030056138 | 030057134 | 030058009 |
| Передача | червячная | червячная | червячная | цилиндрич. | цилиндрич. | цилиндрич. | цилиндрич. |
|
Защита груза - тип ручки
|
замок
|
замок
|
замок
|
Sifeku | Sifeku | Sifeku | Siku |
|
Г/п, кг
|
250
|
500
|
1000
|
1500 | 3000 | 5000 | 10000 |
| Подъем за 1 вращение, мм | 11 | 11 | 3,8 | 14 | 8,6 | 4,5 | 3,2 |
| Усилие рукоятки, даН | 11 | 16,5 | 22 | 28 | 28 | 28 | 40 |
|
Длина рейки, мм
|
740
|
895
|
765
|
1090 | 975 | 1170 | 1240 |
|
Подъем, мм
|
550
|
700
|
600
|
800 | 565 | 700 | 700 |
|
Вес, кг
|
9
|
10
|
11
|
11 | 19 | 28 | 55 |
| Размеры | |||||||
| A, мм | 35 | 35 | 35 | 35 | 45 | 50 | 60 |
| B, мм | 25 | 25 | 25 | 25 | 30 | 40 | 50 |
| C, мм | 100 | 100 | 105 | 215 | 280 | 330 | 380 |
| D, мм | 16 | 16 | 21 | 21 | 21 | 21 | 30 |
| E, мм | 20 | 20 | 20 | 20 | 25 | 25 | 30 |
| F, мм | 109.5 | 109.5 | 100 | 135 | 165 | 140 | 160 |
| G, мм | 13 | 133 | 134 | 151 | 212 | 219 | 269 |
| H, мм | 195 | 195 | 160 | 310 | 395 | 400 | 480 |
| I, мм | 188 | 188 | 155 | 168 | 179 | 197 | 200 |
| J, мм | 47.5 | 47.5 | 29.5 | 26 | 31 | 37 | 39.5 |
| K, мм | - | - | 100 | 100 | 120 | 120 | 140 |
| L, мм | 52 | 52 | 130 | 130 | 160 | 160 | 180 |
| M, мм | 165 | 165 | 140 | 260 | 305 | 320 | 410 |
| N, мм | 12.5 | 12.5 | 12.5 | 12.5 | 14.5 | 17 | 21 |
| O, мм | 70.5 | 70.5 | 50 | 110 | 120 | 105 | 125 |
| P, мм | - | - | 40 | 40 | 50 | 50 | 60 |
| Q, мм | 12 | 12 | 8 | 8 | 10 | 10 | 10 |
| R, мм | 165 | 220 | 165 | 250 | 250 | 250 | 300 |
| S, мм | 130 | 130 | 130 | 130 | 130 | 130 | 250 |
| T, мм | 44.5 | 44.5 | 46.8 | 42.4 | 86.25 | 109.1 | 150.4 |
| U, мм | - | - | 44 | 43.3 | 53.1 | 69.5 | 88.3 |
| X, мм | 32 | 32 | 25 | 20 | 25 | 45 | 30 |