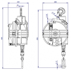
Балансир с резиновым протектором 9401G – 9405G TECNA (15-60 кг), 9431G – 9433G TECNA (15-35 кг)

Производитель:

Грузоподъемность 15-60 кг.

  • Ребристая герметичная моноблочная конструкция из алюминиевого сплава.
  • Трос из нержавеющей стали.
  • Червячный винт регулировки грузоподъемности.
  • Дополнительная страховочная подвеска.
  • Стопор для предотвращения падения груза в результате поломки пружины (>3 кг).
  • Вращающаяся верхняя подвеска с вертлюжным крюком.
  • Устройство блокировки груза на любой высоте.
  • Регулируемый ограничитель хода.
  • Конический барабан на шариковых подшипниках.
  • Кабелепровод из материала, предотвращающего трение.
  • Верхний вертлюжный крюк с шариковым подшипником.
  • Верхний крюк с возможностью выравнивания.
  • Видимый участок троса для осмотра.
  • Инерционный пружинно-барабанный блок.

  • Балансир с резиновым протектором 9401G – 9405G TECNA (15-60 кг), 9431G – 9433G TECNA (15-35 кг) - Балансиры
  • Балансир с резиновым протектором 9401G – 9405G TECNA (15-60 кг), 9431G – 9433G TECNA (15-35 кг) - Балансиры
  • Балансир с резиновым протектором 9401G – 9405G TECNA (15-60 кг), 9431G – 9433G TECNA (15-35 кг) - Балансиры

Производитель:

Грузоподъемность 15-60 кг.

  • Ребристая герметичная моноблочная конструкция из алюминиевого сплава.
  • Трос из нержавеющей стали.
  • Червячный винт регулировки грузоподъемности.
  • Дополнительная страховочная подвеска.
  • Стопор для предотвращения падения груза в результате поломки пружины (>3 кг).
  • Вращающаяся верхняя подвеска с вертлюжным крюком.
  • Устройство блокировки груза на любой высоте.
  • Регулируемый ограничитель хода.
  • Конический барабан на шариковых подшипниках.
  • Кабелепровод из материала, предотвращающего трение.
  • Верхний вертлюжный крюк с шариковым подшипником.
  • Верхний крюк с возможностью выравнивания.
  • Видимый участок троса для осмотра.
  • Инерционный пружинно-барабанный блок.

Модель Грузоподъемность
мм
Величина хода
мм
Диаметр троса
мм
Вес изделия
кг
Размер упаковки
мм
9401G  15,0 - 20,0  2500  5  20,75  600х320х330
9402G  20,0 - 30,0  2500  5  22,19  600х320х330
9403G  30,0 - 40,0  2500  5  22,19  600х320х330
9404G  40,0 - 50,0  2500  5  23,12  600х320х330
9405G  50,0 - 60,0  2500  5  24,15  600х320х330
9431G  15,0 - 20,0  3000  5  20,75  600х320х330
9432G  20,0 - 25,0  3000  5  20,75  600х320х330
9433G  25,0 - 35,0  3000  5  22,19  600х320х330

Опция В: Устройство закрывания и открывания с контролем от пола.

Опция RI: Вращательное и изоляционное устройство.



Другие товары в этой категории: