Подвеска СМ Beam Clamp 1000-10000 кг

Производитель:

Грузоподъемность 1.000-10.000 кг

 

CM Beam Clamp спроектирован как специальный зажим для фиксации на балках. Имеет широкий диапазон регулировки.

 

Характеристики

  • Быстрое присоединение груза благодаря винтовому шпинделю.
  • Точная установка.
  • Высокая степень надежности благодаря возможности фиксации шпинделя.

 

Информация

  • Перегрузка и использование не по назначению могут привести к выходу оборудования из строя.
  • Подъемное оборудование корпорации СМ не предназначено для подъема людей.

  • Подвеска СМ Beam Clamp 1000-10000 кг - Крантележки
  • Подвеска СМ Beam Clamp 1000-10000 кг - Крантележки
  • Подвеска СМ Beam Clamp 1000-10000 кг - Крантележки
  • Подвеска СМ Beam Clamp 1000-10000 кг - Крантележки

Производитель:

Грузоподъемность 1.000-10.000 кг

 

CM Beam Clamp спроектирован как специальный зажим для фиксации на балках. Имеет широкий диапазон регулировки.

 

Характеристики

  • Быстрое присоединение груза благодаря винтовому шпинделю.
  • Точная установка.
  • Высокая степень надежности благодаря возможности фиксации шпинделя.

 

Информация

  • Перегрузка и использование не по назначению могут привести к выходу оборудования из строя.
  • Подъемное оборудование корпорации СМ не предназначено для подъема людей.

Модель
EAN-№
4025092*
Грузоподъемность
 Ширина полки
  b
Собств.
вес
 
 
кг
мм
кг
CM Beam Clamp 1000
*042048
1000
75 - 230
3,8
CM Beam Clamp 2000
*042062
2000
75 - 230
4,6
CM Beam Clamp 3000
*042109
3000
80 - 320
9,2
CM Beam Clamp 5000
*042123
5000
90 - 320
11,0
CM Beam Clamp 10000
*042147
10000
90 - 320
17,2

 

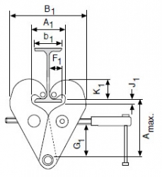
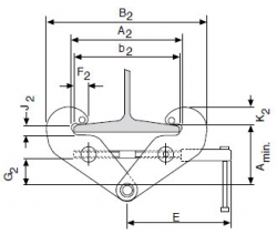
Размеры

Модель
CM Beam Clamp
1000
CM Beam Clamp
2000
CM Beam Clamp
3000
CM Beam Clamp
5000
CM Beam Clamp
10000
А мин., мм
115 115 180 180 175
А макс., мм
150 150 225 225 220
А1, мм
78 78 80 90 90
А2, мм
246 246 320 310 320
В1, мм
186 186 232 242 268
В2, мм
350 350 455 445 480
b1, мм
75 75 80 90 90
b2, мм
230 230 320 310 320
C, мм
50 50 70 70 70
D, мм
4 6 8 10 14
E, мм
215 215 255 255 275
F1, мм
34 35 35 35 35
F2, мм
17 18 21 21 20
G1, мм
82 82 120 116 110
G2, мм
44 44 75 75 66
H, мм
20 20 22 28 38
J1, мм
14 14 30 30 34
J2, мм
21 21 34 34 35
K1, мм
48 50 60 60 60
K2, мм
31 32 40 42 40
L, мм
84 94 122 129 146

 



Другие товары в этой категории: