Крантележка СМ Heavy Roller 500-5000 кг

Производитель:

Грузоподъемность 500-5.000 кг

 

CM Heavy Roller используется для точного позиционирования и перемещения тяжелых грузов ручными и электрическими талями.

 

CM Heavy Roller имеет запас прочности 5:1.

 

Характеристики

  • Свободное перемещение достигнуто за счет точного изготовления стальных колес-роликов, которые легко вращаются на закрытых подшипниках с постоянной смазкой.
  • Высокое удобство эксплуатации достигнуто тем, что тележка регулируется под различные размеры полок балок и профилей.
  • Устройства против опрокидывания и против поломки роликов.
  • Быстрая и точная настройка по ширине балки достигается за счет использования несущего винта с правой и левой резьбой.

 

Под заказ

  • Резиновые буферные амортизаторы.
  • Устройство блокировки хода (судовое исполнение).
  • Ручная цепь из нержавеющей стали.
  • Антикоррозийное исполнение
  • Искрозащищенное исполнение и взрывобезопасное исполнение

 

Информация

  • Перегрузка и использование не по назначению могут привести к выходу оборудования из строя.
  • Подъемное оборудование корпорации СМ не предназначено для подъема людей.

  • Крантележка СМ Heavy Roller 500-5000 кг - Крантележки
  • Крантележка СМ Heavy Roller 500-5000 кг - Крантележки
  • Крантележка СМ Heavy Roller 500-5000 кг - Крантележки
  • Крантележка СМ Heavy Roller 500-5000 кг - Крантележки
  • Крантележка СМ Heavy Roller 500-5000 кг - Крантележки

Производитель:

Грузоподъемность 500-5.000 кг

 

CM Heavy Roller используется для точного позиционирования и перемещения тяжелых грузов ручными и электрическими талями.

 

CM Heavy Roller имеет запас прочности 5:1.

 

Характеристики

  • Свободное перемещение достигнуто за счет точного изготовления стальных колес-роликов, которые легко вращаются на закрытых подшипниках с постоянной смазкой.
  • Высокое удобство эксплуатации достигнуто тем, что тележка регулируется под различные размеры полок балок и профилей.
  • Устройства против опрокидывания и против поломки роликов.
  • Быстрая и точная настройка по ширине балки достигается за счет использования несущего винта с правой и левой резьбой.

 

Под заказ

  • Резиновые буферные амортизаторы.
  • Устройство блокировки хода (судовое исполнение).
  • Ручная цепь из нержавеющей стали.
  • Антикоррозийное исполнение
  • Искрозащищенное исполнение и взрывобезопасное исполнение

 

Информация

  • Перегрузка и использование не по назначению могут привести к выходу оборудования из строя.
  • Подъемное оборудование корпорации СМ не предназначено для подъема людей.

Модель
EAN-№
4025092*
Грузо-
подъемность
 Ширина полки
  b
Толщина двутавра
t макс.
Радиус
поворота
мин.
Ручное
тяговое
усилие
Собств.
вес
тали*
Собств.
вес тали с
механимом
блок. хода**
 
 
кг
мм
мм
мм даН кг кг
CM Heavy Roller P 500
*041324
500
50 - 220
25
0,90 - 8,0 14,5
CM Heavy Roller P 1000
*041348
1000
50 - 220
25
0,90 - 9,0 17,0
CM Heavy Roller P 2000
*041362
2000
66 - 220
25
1,15 - 16,0 24,0
CM Heavy Roller P 3000
*041386
3000
74 - 220
25
1,40 - 32,0 41,2
CM Heavy Roller P 5000
*041409
5000
90 - 220
25
1,80 - 48,0 58,5
CM Heavy Roller G 500
*041706
500
50 - 220
25
0,90 3 9,7 16,2
CM Heavy Roller G 1000
*041768
1000
50 - 220
25
0,90 6 11,2 19,2
CM Heavy Roller G 2000
*041805
2000
66 - 220
25
1,15 7 18,0 26,0
CM Heavy Roller G 3000
*041843
3000
74 - 220
25
1,40 7 35,4 44,6
CM Heavy Roller G 5000
*041881
5000
90 - 220
25
1,80 9 51,8 62,3

* Вес собственный CM Heavy Roller P: данные по весу без ручной тяговой цепи
** Вес собственный CM Heavy Roller G с устройством блокировки хода: данные по весу без ручных тяговых цепей

 

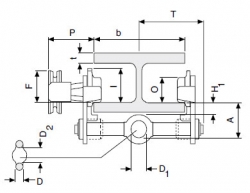
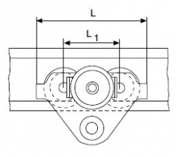
Размеры

Модель
CM Heavy Roller P/G
500
CM Heavy Roller P/G
1000
CM Heavy Roller P/G
2000
CM Heavy Roller P/G
3000
CM Heavy Roller P/G
5000
А, мм
 77  83  99  114  133
D, мм
 16  17  22  26  33
D1, мм
 25  30  40  48  60
D2, мм
 30  35  47  58  70
F (тип G), мм
 92  92  91  108  150
F1, мм
 46  46  46  46  46
H1, мм
 31  31  31  30  30
I (тип P), мм
 72  72  96  131  143
I (тип G), мм
 77  77  98  133  149
L, мм
 260  260  310  390  450
L1, мм
 130  130  150  180  209
O, мм
 60  60  80  112  125
P (тип G), мм
 110  110  110  110  110
P1, мм
 168  168  168  168  168
P2, мм
 146  150  155  160  168
T, мм
 146  150  155  160  168

 



Другие товары в этой категории: