Вертлюг с коническим упорным роликоподшипником Crosby S-3 (Вилка-Кольцо)

Производитель:

Описание:

  • Подходит для частых вращений под нагрузкой.
  • Все крюки дополняются комплектом защелки.
  • Все зажимы комплектуются болтами, гайками и штифтами.
  • Предоставляется пресс-масленка.
  • Имеются другие типы и мощности до 600 тонн, которые соответствовали бы Вашим спецификациям.


Сертификаты: Все шарниры индивидуально протестированы с сертификацией.

Важно:

  • Вертлюги Crosby должны использоваться только с рекомендоваными стальными тросами.
  • НЕЛЬЗЯ ИСПОЛЬЗОВАТЬ ПРИ РАЗРУШЕНИИ (ПОВРЕЖДЕНИИ) ШАРИКОВ.

  • Вертлюг Crosby S-3 (Вилка-Кольцо) - Шарниры (вертлюги)
  • Вертлюг Crosby S-3 (Вилка-Кольцо) - Шарниры (вертлюги)

Производитель:

Описание:

  • Подходит для частых вращений под нагрузкой.
  • Все крюки дополняются комплектом защелки.
  • Все зажимы комплектуются болтами, гайками и штифтами.
  • Предоставляется пресс-масленка.
  • Имеются другие типы и мощности до 600 тонн, которые соответствовали бы Вашим спецификациям.


Сертификаты: Все шарниры индивидуально протестированы с сертификацией.

Важно:

  • Вертлюги Crosby должны использоваться только с рекомендоваными стальными тросами.
  • НЕЛЬЗЯ ИСПОЛЬЗОВАТЬ ПРИ РАЗРУШЕНИИ (ПОВРЕЖДЕНИИ) ШАРИКОВ.

Модель
Артикул
Предел рабочей нагрузки
т *
Размер стального троса
мм
Вес
кг
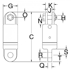
Размеры в мм
С
G
Н
J
К
N
О
Q
R
S
Т
3-S-3
297039
3
13
4,14
237
70.0
19,1
22.4
41.1
33,3
25,4
19.1
26.2
28.4
31,8
5-S-3
297235
5
16
6,12
256
76,0
22,4
25,4
57,0
41,1
28,1
25,4
32,5
31.8
31,8
8-S-3
297431
8-1/2
19
11,3
311
102
25,4
39.5
71,5
54.0
35,1
31.8
35.8
41.1
38,1
10-S-3
297636
10
22
19,7
409
114
38,1
44.5
86,0
39.0
44.5
42.9
42.9
70.0
47,8
15-S-3
297832
15
26
27.7
425
127
38,1
44.5
86,0
89.0
44,5
49.3
51.5
70.0
54.0
25-S-3
298136
25
-
61
546
152
51,0
51.0
117
93.5
60,5
57.0
58.5
98.5
60.5
35-S-3
298234
35
-
68
546
165
51,0
51.0
117
93.5
60,5
57.0
58.5
98.5
60.5
45-S-3
298332
45
-
102
657
178
57,0
63.5
127
102
76,0
63.5
64.5
102
76.0

* Прошел индивидуальные контрольные испытания с нагрузкой в два раза выше предела рабочей нагрузки. Допустимая нагрузка в 5 раз выше предела рабочей нагрузки.



Другие товары в этой категории: