Вертлюг с игольчатым подшипником UELD Excel (Кольцо-Кольцо) Класс 10

Производитель:

Материал: легированная сталь (класс 10) с закалкой и отпуском

Запас прочности: MBL равен 4 x WLL

Конечная обработка: окраска голубой цвет

Сертификаты: изделие сопровождается Рабочим Сертификатом, Сертификатом 3.1 и Сертификатом соответствия нормам EC

Замечание: оснащен двухигольчатым роликовым упорным подшипником

  • Вертлюг UELD Excel (Кольцо-Кольцо) Класс 10 - Шарниры (вертлюги)
  • Вертлюг UELD Excel (Кольцо-Кольцо) Класс 10 - Шарниры (вертлюги)

Производитель:

Материал: легированная сталь (класс 10) с закалкой и отпуском

Запас прочности: MBL равен 4 x WLL

Конечная обработка: окраска голубой цвет

Сертификаты: изделие сопровождается Рабочим Сертификатом, Сертификатом 3.1 и Сертификатом соответствия нормам EC

Замечание: оснащен двухигольчатым роликовым упорным подшипником

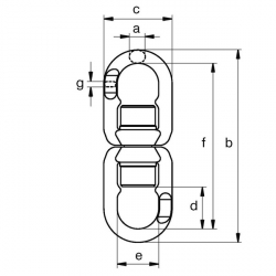
Номер изделия
Предельная рабочая нагрузка
Диаметр
Длина наружная
Ширина наружная
Длина внутренняя
Ширина внутренняя
Длина
Толщина
Вес одного изделия
a
b
c
d
e
f
g
т
мм
мм
мм
мм
мм
мм
мм
кг
UELD0
1.4
11
140
52
33
29
118
6
0.36
UELD1
2.5
12
150
56
32
31
126
6
0.58
UELD2
4
14
185
66
39
37
155
8
1.05
UELD3
6.7
18
228
80
46
48
195
11
1.86
UELD4
10
21
270
99
60
56
227
14
3.1
UELD5
15.6
24
331
121
67
72
280
17
6.45
UELD6
18.7
28
379
134
87
81
328
22
7.74



Другие товары в этой категории: