Шарнир Green Pin G-7740 (Кольцо-Кольцо)

Производитель:

Материал: Углеродистая сталь.

Запас прочности: MBL равен 5 x WLL.

Конечная обработка: Окраска в черный цвет.

Сертификаты: Изделие сопровождается Сертификатом испытаний.

  • Шарнир Green Pin G-7740 (Кольцо-Кольцо) - Шарниры (вертлюги)
  • Шарнир Green Pin G-7740 (Кольцо-Кольцо) - Шарниры (вертлюги)

Производитель:

Материал: Углеродистая сталь.

Запас прочности: MBL равен 5 x WLL.

Конечная обработка: Окраска в черный цвет.

Сертификаты: Изделие сопровождается Сертификатом испытаний.

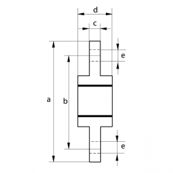
Предельная рабочая нагрузка
Длина
Длина
Толщина
Диаметр
Диаметр отверстия
Вес одного изделия
 
тонн
a
мм
b
мм
c
мм
d
мм
e
мм
 
кг
1
2
3
174
223
278
128
173
210
12.5
19
26
49
68
79
21
22
29
1.4
3.5
6.4
5
8
10
290
366
390
222
276
300
26
40
40
89
106
118
31
43
49
7.9
15.2
19.1
15
20
30
457
474
612
355
372
472
40
40
64
128
118
138
49
51
59
26.6
25
50
40
760
600
68
168
65
-



Другие товары в этой категории: