Скоба цепная Crosby G-210/S-210 с винтовой нарезкой

Производитель:

Материал: Кованые, закаленные и отпущенные, со штифтами из легированной стали.

Стандарт: Соответствуют эксплуатационным требованиям стандарта EN 13889:2003, Федеральной спецификации RR-C-271D тип IVA, степень A, класс 2, кроме положений, касающихся подрядчика. Отвечают всем требованиям стандарта ASME B30.26 или превосходят их.

Конечная обработка: Оцинкованные горячим способом или непокрытые.

Сертификаты: Скобы могут поставляться с сертификатами испытаний под нагрузкой на соответствие признанным стандартам Американского бюро судоходства (ABS), Норвежского морского регистра (DNV), Регистра Ллойда и др. Стоимость проведения испытаний и сертификации будет сообщена при оформлении заказа.

Описание:

  • Предельная рабочая нагрузка маркирована на каждой скобе.
  • Высокая стойкость к усталостному износу.
  • На скобах грузоподъемностью 25 т и более применяется технология RFID.
  • Скобы подвергаются термической обработке закалкой и отпуском и отвечают требованиям стандарта DNV обеспечения стойкости к удару в 42 Дж (31 фунто-фут) при -20 C (-4 F).
  • Утверждение типового образца и сертификация проводятся в соответствии с процедурами № 1-1-17.7 правил устройства стальных сосудов 2006 г Американского бюро судоходства (АБС) и с руководством АБС по сертификации кранов.
  • Компания Crosby аттестована на поставку якорных скоб мод. 209 грузоподъемностью 2 т до 25 т, соответствующих правилам сертификации 2.7-1 DNV – морские контейнеры. Для наших стандартных скоб Crosby выполняются: статистическое пробное испытание 1–3 % изделий в зависимости от размера партии; испытание на ударную вязкость дуги и штифта. Испытания проводятся компанией Crosby, по требованию нами предоставляется протокол испытания по форме 3.1 с результатами испытания.
  • Красный штифт (Red Pin®). . . является фирменным знаком качества Crosby.

  • Скоба цепная Crosby G-210/S-210 с винтовой нарезкой - Скобы
  • Скоба цепная Crosby G-210/S-210 с винтовой нарезкой - Скобы
  • Скоба цепная Crosby G-210/S-210 с винтовой нарезкой - Скобы

Производитель:

Материал: Кованые, закаленные и отпущенные, со штифтами из легированной стали.

Стандарт: Соответствуют эксплуатационным требованиям стандарта EN 13889:2003, Федеральной спецификации RR-C-271D тип IVA, степень A, класс 2, кроме положений, касающихся подрядчика. Отвечают всем требованиям стандарта ASME B30.26 или превосходят их.

Конечная обработка: Оцинкованные горячим способом или непокрытые.

Сертификаты: Скобы могут поставляться с сертификатами испытаний под нагрузкой на соответствие признанным стандартам Американского бюро судоходства (ABS), Норвежского морского регистра (DNV), Регистра Ллойда и др. Стоимость проведения испытаний и сертификации будет сообщена при оформлении заказа.

Описание:

  • Предельная рабочая нагрузка маркирована на каждой скобе.
  • Высокая стойкость к усталостному износу.
  • На скобах грузоподъемностью 25 т и более применяется технология RFID.
  • Скобы подвергаются термической обработке закалкой и отпуском и отвечают требованиям стандарта DNV обеспечения стойкости к удару в 42 Дж (31 фунто-фут) при -20 C (-4 F).
  • Утверждение типового образца и сертификация проводятся в соответствии с процедурами № 1-1-17.7 правил устройства стальных сосудов 2006 г Американского бюро судоходства (АБС) и с руководством АБС по сертификации кранов.
  • Компания Crosby аттестована на поставку якорных скоб мод. 209 грузоподъемностью 2 т до 25 т, соответствующих правилам сертификации 2.7-1 DNV – морские контейнеры. Для наших стандартных скоб Crosby выполняются: статистическое пробное испытание 1–3 % изделий в зависимости от размера партии; испытание на ударную вязкость дуги и штифта. Испытания проводятся компанией Crosby, по требованию нами предоставляется протокол испытания по форме 3.1 с результатами испытания.
  • Красный штифт (Red Pin®). . . является фирменным знаком качества Crosby.

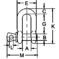
Ном.
раз.
 
дюйм
Пред.
раб.
нагр.
т *
Артикул №
Вес 
 
 
кг
Размеры в мм
Допуск
+ / -
G-210
S-210
А
В
С
D
E
F
G
K
L
M
G
A
1/4
1/2
1019150
1019169
0,05
11,9
7,85
6,35
6,35
24,6
15,5
22,4
40,4
4,85
35,1
1,50
1,50
5/16
¾
1019178
1019187
0,08
13,5
9,65
7,85
7,85
29,5
19,1
26,2
48,5
5,60
42,2
1,50
1,50
3/8
1
1019796
1019203
0,13
16,8
11,2
9,65
9,65
35,8
23,1
31,8
58,5
6,35
51,5
3,30
1,50
7/16
1-1/2
1019212
1019221
0,20
19,1
12,7
11,2
11,2
41,4
26,9
36,6
67,5
7,85
60,5
3,30
1,50
1/2
2
1019230
1019249
0,27
20,6
16,0
12,7
12,7
46,0
30,2
41,4
77,0
9,65
68,5
3,30
1,50
5/8
3-1/4
1019258
1019267
0,57
26,9
19,1
15,7
16,0
58,5
38,1
51,0
95,5
11,2
85,0
3,30
1,50
3/4
4-3/4
1018276
1019285
1,20
31,8
22,4
20,6
19,1
70,0
46,0
60,5
115
12,7
101
6,35
1,50
7/8
6-1/2
1019294
1019301
1,43
36,6
25,4
24,6
22,4
81,0
53,0
71,5
135
12,7
114
6,35
1,50
1
8-1/2
1019310
1019329
2,15
42,9
28,7
25,4
25,4
93,5
60,5
81,0
151
14,2
129
6,35
1,50
1-1/8
9-1/2
1019338
1019347
3,06
46,0
31,8
31,8
28,7
103
68,5
91,0
175
16,0
142
6,35
1,50
1-1/4
12
1019356
1019365
4,11
51,5
35,1
35,1
31,8
115
76,0
100
191
17,5
156
6,35
3,30
1-3/8
13-1/2
1019374
1019383
5,28
57,0
38,1
38,1
35,1
127
84,0
111
210
19,1
174
6,35
3,30
1-1/2
17
1019392
1019409
7,23
60,5
41,4
41,1
38,1
137
92,0
122
230
20,6
187
6,35
3,30
1-3/4
25
1019418
1019427
12,1
73,0
51,0
54,0
44,5
162
106
146
279
25,4
231
6,35
3,30
2
35
1019436
1019445
19,2
82,5
57,0
60,0
51,0
184
122
172
312
31,0
263
6,35
3,30
2-1/2
55
1019454
1019463
32,5
105
70,0
66,5
66,5
238
145
203
377
35,1
330
6,35
6,35

* ПРИМЕЧАНИЕ. Максимальная испытательная нагрузка равна 2,0-кратной предельной рабочей нагрузке (ПРН). Минимальный предел прочности равен 6-кратной предельной рабочей нагрузке.



Другие товары в этой категории: