Материал: скоба и винт изготовлены из легированной стали, Класс 8, с закалкой и отпуском.
Запас прочности: MBL равен 6 x WLL
Стандарт: EN 13889 и согласно требованиям US Fed. Spec. RR-C-271 Type IVA Class 3, Grade A
Конечная обработка: горячая гальванизация (цинкование)
Температурный диапазон: от -40 °C до +200 °C
Сертификаты: без предварительного запроса изделие сопровождается Рабочим Сертификатом, Сертификатом на материал из которого изготовлено изделие, Тест-сертификатом производителя и/или Декларацией Соответствия ЕС
Применение: Для использования при низкотемпературных экстремальных условиях
Материал: скоба и винт изготовлены из легированной стали, Класс 8, с закалкой и отпуском.
Запас прочности: MBL равен 6 x WLL
Стандарт: EN 13889 и согласно требованиям US Fed. Spec. RR-C-271 Type IVA Class 3, Grade A
Конечная обработка: горячая гальванизация (цинкование)
Температурный диапазон: от -40 °C до +200 °C
Сертификаты: без предварительного запроса изделие сопровождается Рабочим Сертификатом, Сертификатом на материал из которого изготовлено изделие, Тест-сертификатом производителя и/или Декларацией Соответствия ЕС
Применение: Для использования при низкотемпературных экстремальных условиях
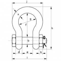
|
Предел. рабочая нагрузка
|
Диам. скобы
|
Диам. болта
|
Диам. отвер.
|
Ширина отвер.
|
Ширина внутр.
|
Длина внутр.
|
Ширина скобы
|
Длина
|
Длина болта
|
Ширина
|
Толщина гайки
|
Вес
|
|
тн
|
а
мм
|
b
мм
|
с
мм
|
d
мм
|
е
мм
|
f
мм
|
g
мм
|
h
мм
|
i
мм
|
j
мм
|
k
мм
|
кг
|
|
2
|
13.5
|
16
|
34
|
13.5
|
22
|
51
|
32
|
89
|
82
|
58
|
13
|
0.42
|
|
3.25
|
16
|
19
|
40
|
16
|
27
|
64
|
43
|
110
|
98
|
75
|
17
|
0.74
|
|
4.75
|
19
|
22
|
47
|
19
|
31
|
76
|
51
|
129
|
114
|
89
|
20
|
1.18
|
|
6.5
|
22
|
25
|
53
|
22
|
36
|
83
|
58
|
144
|
130
|
102
|
23
|
1.77
|
|
8.5
|
25
|
28
|
60
|
25
|
43
|
95
|
68
|
164
|
150
|
118
|
25
|
2.58
|
|
9.5
|
28
|
32
|
67
|
28
|
47
|
108
|
75
|
185
|
166
|
131
|
28
|
3.66
|
|
12
|
32
|
35
|
74
|
32
|
51
|
115
|
83
|
201
|
178
|
147
|
31
|
4.91
|
|
13.5
|
35
|
38
|
80
|
35
|
57
|
133
|
92
|
227
|
197
|
162
|
34
|
6.54
|
|
17
|
38
|
42
|
89
|
38
|
60
|
146
|
99
|
249
|
202
|
175
|
19
|
8.19
|
|
25
|
45
|
50
|
104
|
45
|
74
|
178
|
126
|
300
|
249
|
216
|
24
|
14.22
|
|
35
|
50
|
57
|
111
|
50
|
83
|
197
|
138
|
334
|
269
|
238
|
27
|
19.85
|
|
42.5
|
57
|
65
|
134
|
57
|
95
|
222
|
160
|
377
|
301
|
274
|
30
|
28.33
|
|
55
|
65
|
70
|
145
|
65
|
105
|
260
|
180
|
433
|
330
|
310
|
33
|
39.59
|
|
85
|
75
|
83
|
163
|
75
|
127
|
329
|
190
|
527
|
380
|
340
|
40
|
62
|