Скоба траловая Green Pin G-4164

Производитель:

Материал: скоба и винт изготовлены из высокопрочной стали, Класс 6, с закалкой и отпуском.

Запас прочности: MBL равен 6 x WLL

Стандарт: соответствует требованиям технологии выполнения работ от US Fed.Spec.RR – C-271, Grade A

Конечная обработка: горячая гальванизация (цинкование)

Сертификаты: без предварительного запроса изделие сопровождается Рабочим сертификатом, Сертификатом на материал из которого изготовлено изделие, Тест-Сертификатом производителя и/или Декларацией соответствия EC

  • Скоба траловая Green Pin G-4164 - Скобы
  • Скоба траловая Green Pin G-4164 - Скобы
  • Скоба траловая Green Pin G-4164 - Скобы

Производитель:

Материал: скоба и винт изготовлены из высокопрочной стали, Класс 6, с закалкой и отпуском.

Запас прочности: MBL равен 6 x WLL

Стандарт: соответствует требованиям технологии выполнения работ от US Fed.Spec.RR – C-271, Grade A

Конечная обработка: горячая гальванизация (цинкование)

Сертификаты: без предварительного запроса изделие сопровождается Рабочим сертификатом, Сертификатом на материал из которого изготовлено изделие, Тест-Сертификатом производителя и/или Декларацией соответствия EC

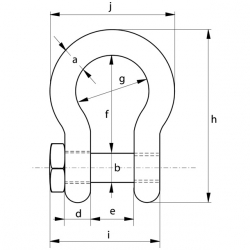
Диа-н раб. усилия
Диам. скобы
Диам. болта
Диам. отвер.
Ширина отвер.
Ширина внутр.
Длина внутр.
Ширина скобы
Длина
Длина болта
Ширина
Ширина головки болта
Вес
 
т
a
мм
b
мм
c
мм
d
мм
e
мм
f
мм
g
мм
h
мм
i
мм
j
мм
k
мм
 
кг
2
3.25
4.75
13.5
16
19
16
19
22
34
40
46
13
16
19
22
27
31
51
64
76
32
43
51
89
110
129
57.5
71
82
58
75
89
22
27
32
0.34
0.63
1
6.5
8.5
9.5
22
25
28
25
28
32
52
59
66
22
25
28
36
43
47
83
95
108
58
68
75
144
164
185
93
108
120
102
118
131
32
36
41
1.44
2.21
3.18
12
13.5
17
32
35
38
35
38
42
72
80
88
32
35
38
51
57
60
115
133
146
83
92
99
201
227
249
137
149
164
147
162
175
50
50
60
4.32
5.67
7.36
25
45
50
103
45
74
178
126
300
192
216
60
12.38



Другие товары в этой категории: