Грузовая петля приварная нержавеющая PASI Excel
Производитель:
- Материал: AISI 316L
- Запас прочности: MBL равен 4 x WLL
- Конечная обработка: полированный
- Сертификаты: изделие сопровождается Рабочим Сертификатом, и Сертификатом соответствия нормам EC
- Примечание: при выборе сварочного материала, используйте информацию по EN 3581 для ручной электродуговой сварки и EN ISO 14343 для дуговой сварки
Производитель:
- Материал: AISI 316L
- Запас прочности: MBL равен 4 x WLL
- Конечная обработка: полированный
- Сертификаты: изделие сопровождается Рабочим Сертификатом, и Сертификатом соответствия нормам EC
- Примечание: при выборе сварочного материала, используйте информацию по EN 3581 для ручной электродуговой сварки и EN ISO 14343 для дуговой сварки
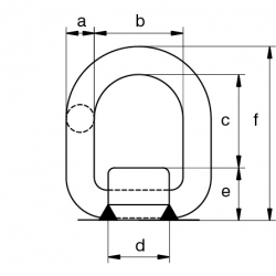
| Артикул |
Рабочая нагрузка |
Диаметр |
Ширина внутренняя |
Длина внутренняя |
Длина основы |
Высота основы |
Длина |
Вес, одного изделия |
| |
t |
a
mm |
b
mm |
c
mm |
d
mm |
e
mm |
f
mm |
кг |
| PAS0.75I |
0.75 |
13 |
40 |
42 |
35 |
28 |
83 |
0.4 |
| PAS1.25I |
1.25 |
18 |
45 |
48 |
42 |
33 |
99 |
0.7 |
| PAS3.20I |
3.2 |
22 |
55 |
57 |
49 |
42 |
121 |
1.2 |
| PAS5I |
5 |
26 |
70 |
67 |
64 |
50 |
143 |
2.4 |
Другие товары в этой категории: