Рым-гайка Green Pin S-8142/E-8142 соответствует DIN 582

Производитель:

Материал: Углеродистая сталь, C15.

Запас прочности: MBL равен 6 x WLL.

Стандарт: Соответствует DIN 582.

Конечная обработка: Естественного цвета электро-гальванизация.

Сертификаты: Сопровождается Сертификатами по запросу.

  • Рым-гайка Green Pin S-8142/E-8142 DIN 582 - Рым-болты
  • Рым-гайка Green Pin S-8142/E-8142 DIN 582 - Рым-болты
  • Рым-гайка Green Pin S-8142/E-8142 DIN 582 - Рым-болты

Производитель:

Материал: Углеродистая сталь, C15.

Запас прочности: MBL равен 6 x WLL.

Стандарт: Соответствует DIN 582.

Конечная обработка: Естественного цвета электро-гальванизация.

Сертификаты: Сопровождается Сертификатами по запросу.

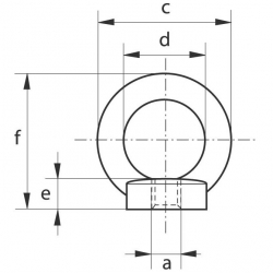
Предельная рабочая нагрузка
Диаметр резьбы
Диаметр основания
Наружный диаметр кольца
Внутренний диаметр кольца
Толщина основы
Высота
Вес 100 шт.
 
тонн
a
мм
b
мм
c
мм
d
мм
f
мм
g
мм
 
кг
0.07
0.14
0.23
M 6 x 1.00
M 8 x 1.25
M 10 x 1.50
20
20
25
36
36
45
20
20
25
8.5
8.5
10
36
36
45
4.2
5.2
9.4
0.34
0.49
0.7
M 12 x 1.75
M 14 x 2.00
M 16 x 2.00
30
35
35
54
63
63
30
35
35
11
13
13
53
60
62
16
22
24
0.9
1.2
1.5
M 18 x 2.50
M 20 x 2.50
M 22 x 2.50
40
40
45
72
72
81
40
40
45
16
16
18
71
71
80
36
35.2
58.6
1.8
2.5
3.2
M 24 x 3.00
M 27 x 3.00
M 30 x 3.50
50
50
65
90
90
108
50
50
60
20
20
25
90
90
109
70.6
102
132
4.3
4.6
6.1
M 33 x 3.50
M 36 x 4.00
M 39 x 4.00
65
75
75
108
126
126
60
70
70
25
30
30
110
128
130
170
208
260
7
8
8.6
M 42 x 4.50
M 45 x 4.50
M 48 x 5.00
85
85
100
144
144
166
80
80
90
35
35
40
147
150
168
311
407
502
8.6
11.5
16
M 52 x 5.00
M 56 x 5.50
M 64 x 6.00
110
110
120
184
184
206
100
100
110
45
45
50
187
187
208
830
669
930
21
M 72 x 6.00
150
260
140
60
260
1500



Другие товары в этой категории: