Вертлюжная петля резьбовая JDT FP

Производитель:

  • Запас прочности 4:1 защищает от разрушения во всех направлениях действия нагрузки.
  • Является идеально плоским изделием.
  • Возможность поворота на 180º и вращения относительно оси на 360º.
  • Допустимый рабочий диапазон натяжного звена составляет 110º.
  • Имеет автоматически запорное звено.

  • Вертлюжная петля резьбовая JDT FP - Рым-болты
  • Вертлюжная петля резьбовая JDT FP - Рым-болты
  • Вертлюжная петля резьбовая JDT FP - Рым-болты
  • Вертлюжная петля резьбовая JDT FP - Рым-болты
  • Вертлюжная петля резьбовая JDT FP - Рым-болты

Производитель:

  • Запас прочности 4:1 защищает от разрушения во всех направлениях действия нагрузки.
  • Является идеально плоским изделием.
  • Возможность поворота на 180º и вращения относительно оси на 360º.
  • Допустимый рабочий диапазон натяжного звена составляет 110º.
  • Имеет автоматически запорное звено.

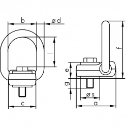
Наименование Винт JDT
mm
Крутящий момент затяжки
Nm
a
mm
b
mm
c
mm
d
mm
e
mm
f
mm
g
mm
l
mm
Ø s
mm
Вес
kg
Артикул
FP 0,5 M 10х40 40 69 50 48 13 28 100 12 52 34 0,71 0381100000
FP 0,8 M 12х45 65 69 50 48 13 28 100 17 51 34 0,73 0381101000
FP 1,5 M 16х55 160 69 50 48 13 28 100 27 49 34 0,77 0381101500
FP 2,5 M 20х70 250 69 50 48 13 28 100 42 46 34 0,86 0381102000
FP 4-S M 24х80 300 69 50 48 13 28 100 50 42 34 0,98 0381104100
FP 4 M 24х80 300 104 76 72 18 30 147 41 74 58 2,5 0381104000
FP 5 M 27х90 400 104 76 72 18 39 147 51 72 58 2,63 0381105000
FP 6 M 30х90 500 104 76 72 18 39 147 51 70 58 2,74 0381106000
FP 8 M 36х100 600 104 76 72 18 43 147 57 62 58 3,15 0381108000
FP 10 M 42х110 1000 160 107 99 34,5 65,5 236 44,5 110 90 10,4 0381110000
FP 15 M 48х120 2000 160 107 99 34,5 65,5 236 54,4 106 90 11,0 0381115000

  • Винты JDT соответствуют стандарту DIN EN ISO 4014 (DIN 931) – класс прочности - 10.9, успешно прошли испытание на наличие трещин.


Другие товары в этой категории: